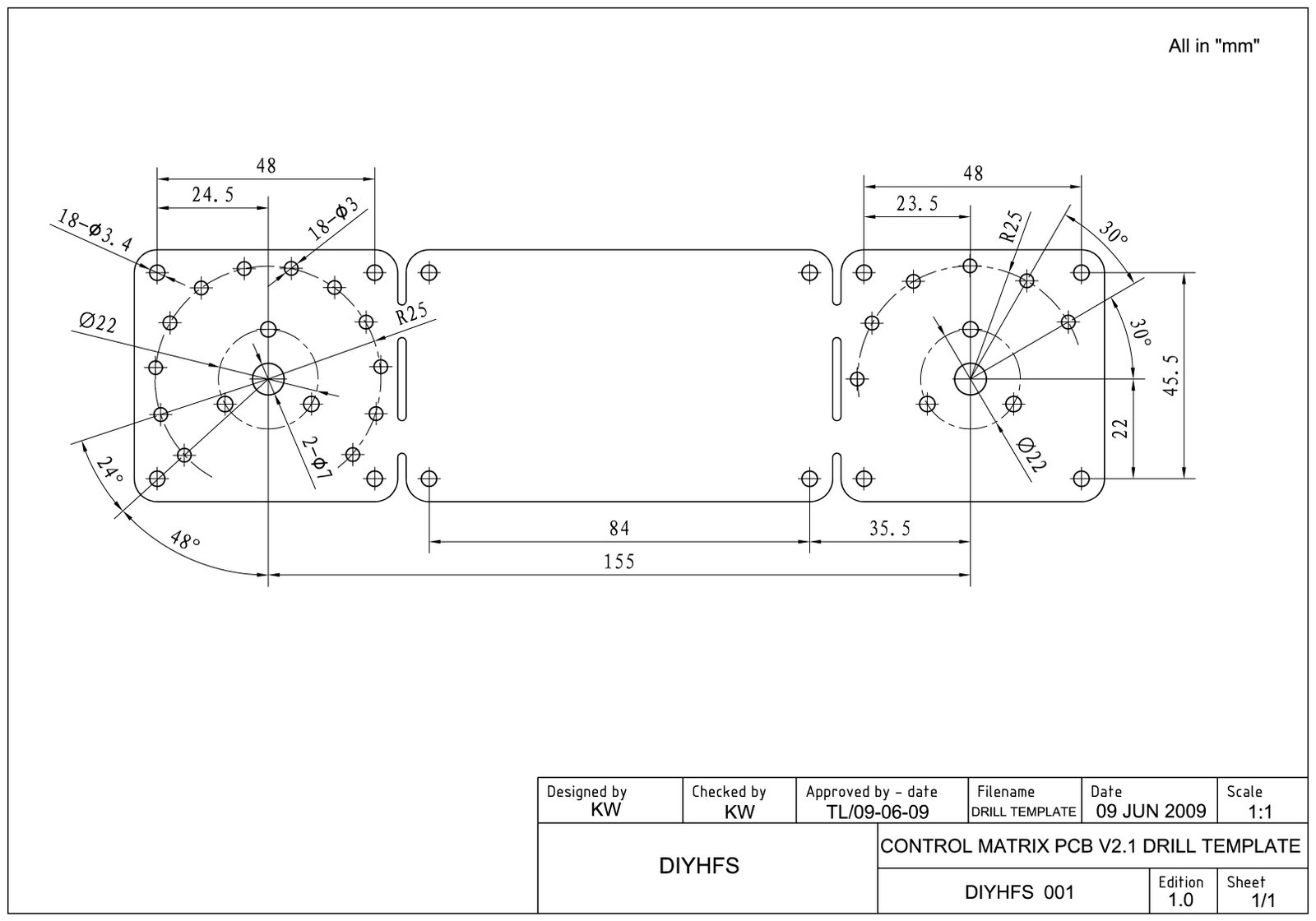
Ultimate Volume Control Drill Template Home30- ModulesUltimate Volume Control Drill Template [A-] [A+]