1 – Power Supply Wiring
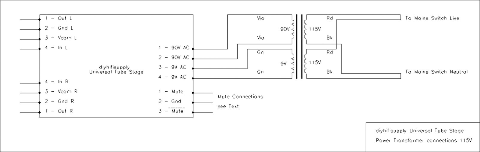
If your local power supply is in the range of 100V to 120V AC wire up the mains transformer
as shown below.
.jpg)
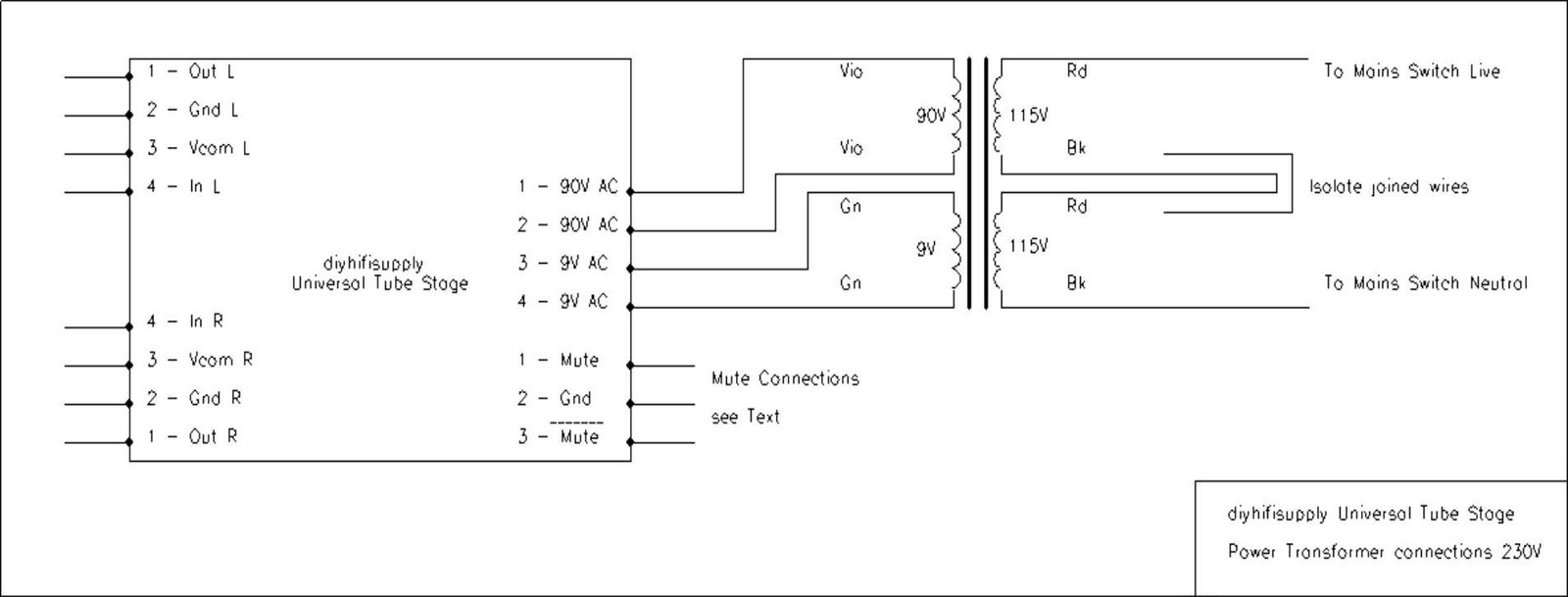
If your local power supply is in the range of 220V to 240V AC wire up the mains transformer
as shown below.
.jpg)
Muting
The Universal Tube Output Stage is fitted with a relay based muting circuit (shunt type so it is completely disconnected when unmated) which also performs a turn-on delay.
For CD-Players that produce unwanted noises etc. between tracks it may be desirable to use this circuit to mute the signal the same way the original analogue stage did.
As this requires you to find the actual logic signal that controls the muting in the original equipment this is quite advanced and no simple guidance is possible. You will most likely require a copy of the service manual and the ability to read the schematics within. The Universal Tube Output Stage can accept mute signal that either mute when a “High” signal is present (use the connection labeled Mute) or that can mute when a “Low” Signal is present (use the connection labeled /Mute).