–The Audio Matrix PCB
–The Control Matrix PCB
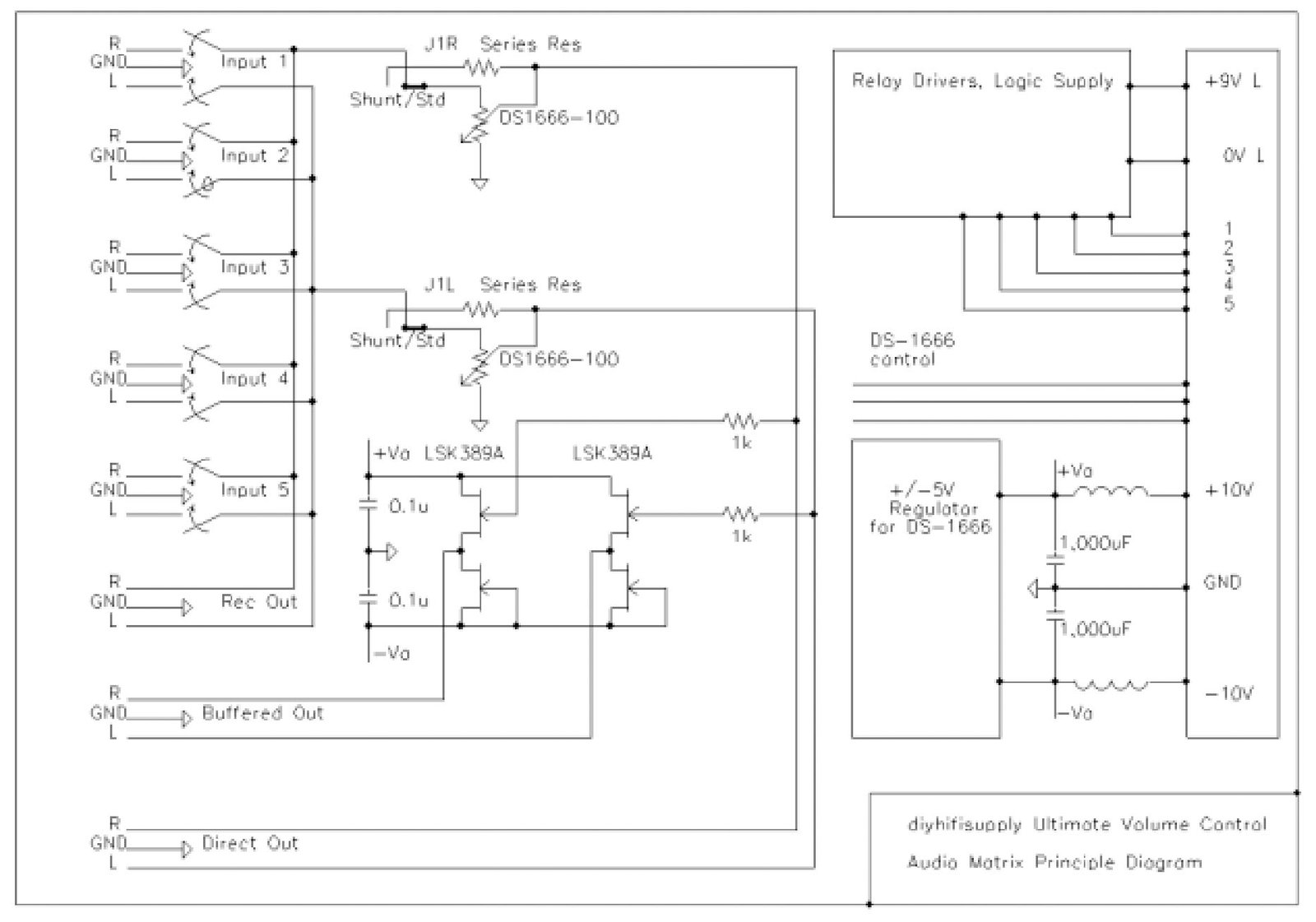
The diyhifisupply® Ultimate Volume Control (UVC) has been designed to offer a State of the Art volume control and input switching selection. It is intended to be applied to integrated amplifiers and preamplifiers, to be used with any compatible following active stage.
The Ultimate Volume Control is built around the Dallas Semiconductor DS-1666 digitally controlled analogue potentiometer (DCAP), as used in all current Audio Research Preamplifiers.
Unlike other common volume control chips the DS-1666 DCAP does not contain a build in op-amp, nor does it require them to be applied externally. In essence it is just a 128 Step Attenuator on a chip, using a resistor ladder and FET Switches instead of a resistor ladder and mechanical switches.
Additionally an option is provided on-board to add a pair of direct coupled, zero negative feedback J-FET buffers, thus making the UVC into a fully self contained buffered passive preamplifier.

The Ultimate Volume Control (UVC) is made up of two circuit boards, one circuit board, the Audio Matrix, handles all audio functionality, the second circuit board, the Control Matrix handles all logic functions and contains the power supply.
The Audio Matrix PCB

Each Audio Matrix PCB has five 2-Channel line level inputs selected via high grade hermetically sealed gold over silver contact relays, and five two channel attenuators using the DS-1666 DCAP and optionally a 2 Channel J- Fet Buffer (2pcs LSK389A available separately). It also contains the local power supply with LC filtering for the buffer and further regulation for the DS-1666 DCAP.
Where more than two channels are required, multiple Audio Matrix modules can be used to give the number of channels required. For example two Audio Matrix Modules are needed for a balanced preamplifier, 3 Audio Matrix Modules offer 6 single ended channels for 5.1 channel surround sound systems.
The DS-1666 DCAP can be used in standard mode or shunt mode for sound quality that is improved or adjusted to personal taste.
When using shunt mode there is always only one resistor in series with the signal. This resistor on the UVC is a standard 1W Metal Film type but may be replaced by Tantalum Resistors, Vishay Bulk Foil or Allen Bradley carbon composition types or any others to suit personal taste.
In addition using values other than the 100KOhm series resistor fitted as standard allows the volume control range to be adjusted to best match a given system. Larger values than 100KOhm increase the attenuation when the volume control is set to maximum, giving more control at lower levels.
For example, when using the UVC with an amplifier that produces full power at 100mV input (ie many vintage valve amplifiers) a CD source would always require at least 26dB attenuation.
In this case adding a 820KOhm resistor into each of the signal lines from the CD Input will produce around 20dB attenuation with the volume control fully open, thus matching amplifier sensitivity correctly to the source and allowing the available 52dB attenuation range to be used optimally.
Shunt-mode resistor: written on the PCB “series res” and is next to “shunt/std” Jumper.
To calculate resistor value for any given attenuation: Where
Rs – Series Resistor (KOhm)
Rmax – DS1666 maximum resistance (KOhm)
Rmin – DS1666 minimum resistance (KOhm)
Att – Attenuation (dB)
For the DS1666-100 the maximum resistance is nominally 100KOhm and the minimum resistance (before mute) is nominally 243Ohm or 0.243KOhm.
AttMin = 20 * LOG( (Rs + Rmax) / Rmax )
AttMax = 20 * LOG( (Rs + Rmin) / Rmin )
Example: the supplied 100K series resistor the maximum attenuation is 52dB and the minimum attenuation is 6dB as follows:
AttMin100K = 20 * LOG( (100 + 100) / 100 ) = 20 * Log(2) = 6dB
AttMax100K = 20 * LOG( (100 + 0.243) / 0.243 ) = 20 * Log(428.4) = 52dB
Attenuation for any other resistances derives using the same method.
If the load impedance is not infinite (e.g. UTS at 12dB gain ~ 250K) this must be taken into account and calculated as being in parallel with the DS1666 Resistance
The Control Matrix PCB
The matrix is supplied as one whole PCB for ease of use, but can be broken up into three separate PCB‟s for
increased flexibility in mounting it.

For ease of application all connections on the Ultimate Volume Control are provided as solder less screw terminals for all audio connections and IDC Cables (included) for all logic and power supply connections. All configurations are handled by gold-plated jumpers, so no soldering is required on the actual Control Matrix.
For those desiring soldered connections instead we recommend to simply solder the wires to the solder pads below the PCB. It is also possible to unsolder the screw terminals and solder the wires in the holes thus available.
Equally, for those wishing a soldered configuration instead of jumpers, simple solder bridges can be soldered across the jumper pins below the PCB, or the jumpers can be removed completely and a wire bridge inserted.